Buồng thử nghiệm nhiệt độ loại LTV-070, Hãng JeioTech/Hàn Quốc

Thương hiệu: JeioTech - Hàn Quốc   |   Tình trạng: Còn hàng
Liên hệ
  • Thể tích buồng (L / cu ft): 720 / 25.4
  • Bộ điều khiển: Có thể lập trình, Bộ điều khiển loại màn hình cảm ứng (màn hình màu 3,5 inch)
  • Phạm vi nhiệt độ (℃ / ℉) cửa đóng 100%: môi trường + 45 đến 350 /môi trường +81 đến 662
  • Phạm vi nhiệt độ (℃ / ℉) cửa mở 100%: Tối đa. 150 / Tối đa 302
  • Biến động nhiệt độ ở 100oC (± ℃ / ℉): 0.5 / 0.9
  • Thời gian làm nóng (phút) từ môi trường đến 350oC: 40
Chỉ có ở Best Lab Solution:
  • Chính sách ưu đãi
    Chính sách ưu đãi
  • Sản phẩm chính hãng
    Sản phẩm chính hãng
  • Giá cả ưu đãi
    Giá cả ưu đãi
  • Tư vấn tận tâm
    Tư vấn tận tâm

Mô tả sản phẩm

Buồng thử nghiệm nhiệt độ

Model: LTV-070

Hãng: JeioTech

Xuất xứ: Hàn Quốc

Bảo hành 12 tháng

Đặc tính kỹ thuật

Hiệu suất

  • Thích hợp cho sử dụng cụ thể như xử lý nhiệt và quá trình sấy khô.
  • Điều khiển vi xử lý PID / Hiệu chỉnh nhiệt độ / Điều chỉnh tự động.
  • Đóng cửa kín khí với đệm kín.
    • - Hai đệm silicon chịu nhiệt ngăn chặn hoàn toàn rò rỉ nhiệt cao từ khoang bên trong. (đối với LBV)
    • - Bao bì bằng gốm và silicon chịu nhiệt không dẫn nhiệt hoàn toàn ngăn chặn sự rò rỉ nhiệt cao từ khoang bên trong. (đối với LTV)
    • - Chốt cửa hai điểm cũng giúp tăng cường độ kín khi đóng cửa.
  • Hiệu quả năng lượng đạt được nhờ tối ưu hóa hệ thống cách nhiệt - Ngay cả khi thiết bị hoạt động tối đa. nhiệt độ, bề mặt của thiết bị không cho phép nhiệt độ cao trên 51oC. (DIN EN 563)
  • Thiết kế đáng tin cậy và sản xuất cửa được đảm bảo - Đánh giá kết quả sau khi mở cửa 90 độ và áp dụng tải 50kg cho điểm cách bản lề 30cm.

Sự an toàn

  • Chế độ hoạt động có thể lựa chọn của người dùng sau khi gián đoạn nguồn - ether Tự động chạy hoặc Chạy thủ công.
  • Bảo vệ quá nhiệt.
  • Bảo vệ rò rỉ quá dòng và hiện tại. (ELCB, bộ ngắt mạch rò rỉ trái đất)
  • Cầu chì an toàn độc lập - Các bộ phận quan trọng như bộ điều khiển và máy gia nhiệt được bảo mật cao khỏi ngắn mạch. Đặc biệt mỗi thiết bị gia nhiệt có một cầu chì riêng để ngắt hoàn toàn ngắn mạch.
  • Bảo vệ pha đảo ngược - Chỉ báo lỗi kết nối điện giúp người dùng nhanh chóng khắc phục kết nối.
  • Bảo vệ quá dòng của động cơ - Tự động tắt trong các tình huống có quá dòng cho động cơ.
  • Cảnh báo mở cửa - Máy sưởi và quạt dừng khi cửa ở trạng thái mở.
  • Cảnh báo truy cập bảng điện - Tự động dừng nếu nắp của bảng điều khiển dây điện được mở.
  • Thiết kế khóa cửa với một chìa khóa

Thuận tiện

  • Chống ăn mòn bên trong buồng bằng thép không gỉ.
  • Không gian hiệu quả và dễ dàng thiết kế buồng tải.
    • - Bao gồm hai kệ để tải số lượng lớn mẫu.
    • - Kệ tải nặng, định mức 40kg cũng có sẵn. 
  • Bộ điều khiển LCD thân thiện với người dùng.
    • - Bộ điều khiển LCD cảm ứng tương tác đầy màu sắc.
    • - Đặt nhiệt độ điểm và nhiệt độ hiện tại được hiển thị rõ ràng cùng nhau trên màn hình.
    • - Hỗ trợ điều khiển lập trình đầy đủ.
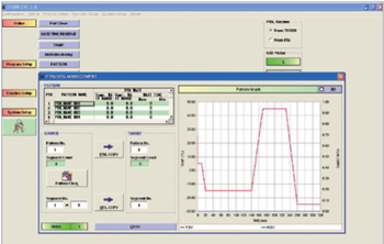
    • - Tiến trình hoạt động có thể được hiển thị trong chế độ biểu đồ để hiểu dữ liệu tốt hơn.
    • - Tự động khởi động / dừng có thể được lập trình cho các hoạt động không giám sát.
    • - Màn hình hiển thị thay đổi nhiệt độ bất thường hoặc mất điện.
    • - Hỗ trợ ngôn ngữ song ngữ có chọn lọc.
    • (Tiếng Hàn / tiếng Anh hoặc tiếng Anh / tiếng Trung, chỉ có thể chọn khi đặt hàng)
    • - Nhiệt độ và các thông số vận hành khác có thể được ghi lại bằng máy ghi kỹ thuật số sáu kênh. (Tùy chọn)
  • Giao diện máy tính.
    • - Cổng giao tiếp RS-485 (tùy chọn) cho phép kết nối tối đa 32 đơn vị. Giám sát và vận hành đồng thời nhiều đơn vị là một tính năng có sẵn.
    • - Các mẫu chương trình rất đơn giản để thiết lập với việc sử dụng phần mềm của chúng tôi.
    • - Dễ dàng kiểm tra trạng thái hoạt động thời gian thực. Dữ liệu đồ thị hỗ trợ dễ hiểu.
    • - Lưu trữ và tài liệu của các chương trình.
    • - Dữ liệu với khả năng lưu ở định dạng excel và văn bản.
    • - Lưu trữ thông tin chương trình, sao lưu các cài đặt giá trị, phục hồi và giá trị nhiệt độ.
    • - Cổng giao tiếp RS-232 là ưu đãi tiêu chuẩn.

Thông số kỹ thuật

 

  • Thể tích buồng (L / cu ft): 720 / 25.4
  • Bộ điều khiển: Có thể lập trình, Bộ điều khiển loại màn hình cảm ứng (màn hình màu 3,5 inch)
  • Phạm vi nhiệt độ (℃ / ℉) cửa đóng 100%: môi trường + 45 đến 350 /môi trường +81 đến 662
  • Phạm vi nhiệt độ (℃ / ℉) cửa mở 100%: Tối đa. 150 / Tối đa 302
  • Biến động nhiệt độ ở 100oC (± ℃ / ℉): 0.5 / 0.9
  • Sự thay đổi nhiệt độ (± ℃ / ℉): 
    • ở 100 ℃: 0.7 / 1.26
    • ở 150oC: 1.1 / 1.98
    • ở 200oC: 1.9 / 3.42
    • ở 250oC: 2.7 / 4.86
    • ở 300oC: 3.4 / 6.12
    • ở 350oC: 4.1 / 7.38
  • Thời gian làm nóng (phút) từ môi trường đến 350oC: 40
  • Thời gian phục hồi sau khi cửa được mở (phút)
    • ở 100oC: 6
    • ở 150oC: 7.5
    • ở 200oC: 8.5
    • ở 250oC: 8.5
    • ở 300oC: 8.5
    • ở 350oC: 10
  • Tốc độ thay đổi không khí (xấp xỉ, x / h): 233
  • Lưu thông không khí (khoảng, x / h): 348
  • Lưu lượng khí thải (xấp xỉ, L / phút): 1910
  • Tốc độ dòng khí (m / s): 0,2 đến 0,6
  • Số kệ dây (tiêu chuẩn / tối đa): 2/29
  • Khoảng cách giữa các kệ (mm / inch): 30 / 1.2
  • Tối đa tải trên mỗi kệ (kg / lbs): 40 / 88.2
  • Tổng tải trọng cho phép (kg / lbs): 120 / 264.6
  • Kích thước  bên trong (mm / inch): 900×800×1000/ 35.4×31.5×39.4
  • Kích thước bên ngoài (mm / inch): 1500×1145×1912/ 59×45.1×75.3
  • Khối lượng tịnh (kg / lbs): 390  / 859.8
  • Cổng giao diện: Về cơ bản RS-232C [RS-485 (điều khiển tối đa 32 đơn vị) -optional]
  • Yêu cầu về điện (380V, 50Hz): 3ph / 23.4A

Cấu hình cung cấp

  • Tủ ấm: 1 chiếc
  • Tài liệu hướng dẫn sử dụng: 1 bản
  • Phụ kiện đi kèm

------------------------------------------------------------------------------------------------------------

Đại diện nhập khẩu và phân phối thiết bị ngành Dược JeioTech tại Việt Nam

Công Ty TNHH Đầu Tư Phát Triển Thương Mại An Hòa

Hotline: Mr.LINH – 0862.191.383

Email: levanlinh.anhoaco@gmail.com

Hân hạnh được phục vụ quý khách hàng trong những dự án sắp tới!




 

 

Liên hệ qua Zalo
Liên hệ qua Facebook

0707609176